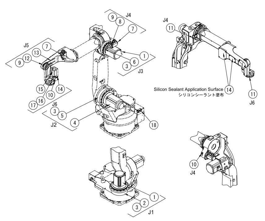
В данном руководстве представлена полная разборка робота OTC DAIEHN AII-B4L (A2-B4L) с деталировкой всех компонентов. Ниже вы найдете подробное изображение разобранного робота, а также полный перечень запчастей с номерами моделей для каждой оси и системы.

Используя представленное выше изображение и следующую таблицу, вы можете точно идентифицировать каждую деталь и найти соответствующий номер модели для заказа или замены.
① Серводвигатель переменного тока: Модель W-L02150.
② Редуктор RV (планетарный редуктор): Модель W-L02116.
③ Смазка (уплотнение/смазочный материал): Модель 100-0624.
④ Серводвигатель переменного тока: Модель W-L02152.
⑤ Редуктор RV: Модель W-L02117.
③ Смазка: Модель 100-0624 (общая с осью J1 и J3).
① Серводвигатель переменного тока: Модель W-L02150 (общий с осью J1).
⑥ Редуктор RV: Модель L10725G00.
③ Смазка: Модель 100-0624.
⑦ Серводвигатель переменного тока: Модель W-L02148.
⑧ Гармонический редуктор (волновой редуктор): Модель W-L02034.
⑨ Смазка специальная: Модель 2670-052.
⑩ Смазка дополнительная: Модель 2670-017.
⑪ Смазка дополнительная: Модель 2670-017 (дублируется для различных точек смазки).
⑦ Серводвигатель переменного тока: Модель W-L02148 (общий с осью J4).
⑫ Гармонический редуктор: Модель L10725H00.
⑬ Ремень ГРМ (зубчатый ремень) оси J5: Модель W-L02051.
⑭ Смазка специальная: Модель 2670-017.
⑨ Смазка специальная: Модель 2670-052.
⑮ Серводвигатель переменного тока: Модель W-L02147.
⑯ Гармонический редуктор: Модель W-L02036.
⑭ Смазка специальная: Модель 2670-015.
⑰ Смазка специальная: Модель 2670-053.
⑩ Смазка дополнительная: Модель 2670-017.
⑪ Смазка дополнительная: Модель 2670-017 (дублируется для различных точек смазки).
Кабельный узел (1) — от задней части основного корпуса до верхней части рычага: L10525C00.
Кабельный узел (2) — для валов J5 и J6 в верхнем рычаге: L10525D00.
Кабельный узел (3) — для валов J5 и J6 в верхнем рычаге: L10525E00.
Кабель в сборе (4) — для оси J6 в плече: L10470H00.
Узел вала J5 (сборочный узел): Модель L10470C0O.
Узел вала J6 (сборочный узел): Модель L10470B0O.
Силовой кабель (внутри J1): Модель L10485000.
Силовой кабель (от J2 к плечу): Модель L10485S00.
⑱ Резервная батарея (для резервного питания/памяти): Модель 100-2147.
Техническая информация: Данное руководство предназначено для квалифицированных специалистов по обслуживанию и ремонту промышленных роботов. Все операции по разборке и сборке должны выполняться с соблюдением мер безопасности и в соответствии с официальной документацией производителя.
Важно! При замене смазочных материалов используйте только рекомендуемые типы смазок, указанные в таблице. Неправильный выбор смазки может привести к преждевременному износу компонентов и выходу робота из строя.