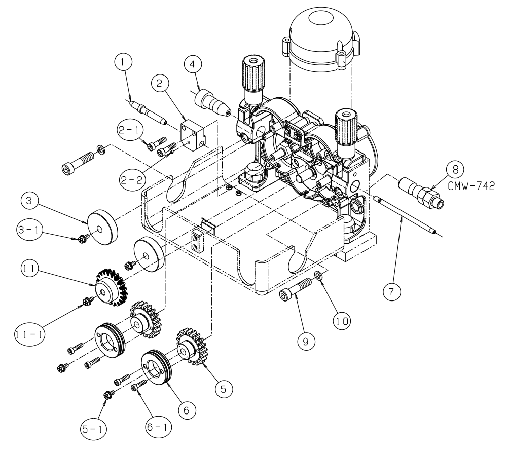
Давайте сначала посмотрим на собранные детали механизма подачи проволоки OTC CM7402 / CMW-742-C в разобранном виде. Ниже представлен полный каталог оригинальных запчастей с указанием номеров деталей, названий и количеств.

Важная информация: В таблице представлены оригинальные номера деталей для двух моделей: CM7402 и CMW-742-C. Некоторые детали являются общими, другие специфичны для конкретной модели. Обращайте внимание на примечания к количеству и совместимости.
| № | Номер детали OTC | Название детали | Кол-во | Примечание | |
|---|---|---|---|---|---|
| CM-7402 | CMW-742-C | ||||
| 1 | L10595C01 | Центральная проводная направляющая | 1 | - | |
| 2 | L10595C02 | Направляющий модуль | 1 | Исключая 2-1, 2-2 | |
| 2-1 | - | Винт с внутренним шестигранником | 2 | М5×20 | |
| 2-2 | - | Установочный винт | 1 | М3×4 | |
| 3 | K5439C00 | Прижимное колесо | 2 | Без 3-1 | |
| 3-1 | - | Шестигранный винт с крестообразным отверстием | 2 | М4×10 | |
| 4 | U30022.T01 | Направляющая трубка для проволоки | 1 | - | |
| 5 | L10595P00 | Промежуточная шестерня | 2 | Компоненты без 5-1 | |
| 5-1 | - | Шестигранный винт с крестообразным отверстием | 2 | М4×10 | |
| 6 | K5439Б12 | - | Ролик подачи проволоки (0,9-1,0/1,2 мм) | 2 | Без 6-1 |
| - | K5439Б01 | Ролик подачи проволоки (1,4/1,6 мм) | 2 | Без 6-1 | |
| 6-1 | - | Винт с внутренним шестигранником | 4 | М4×16 | |
| 7 | U30022J02 | Направляющая трубка выходного провода (0,9-1,2 мм) | 1 | - | |
| 8 | U5209J01 | Адаптер направляющей проволоки | 1 | - | |
| 9 | - | Винт с внутренним шестигранником | 2 | М6×35 | |
| 10 | - | Прокладка | 2 | М6 | |
| 11 | L10595Q00 | Ведущая шестерня | 1 | Без 11-1 | |
| 11-1 | - | Шестигранный винт с крестообразным отверстием | 1 | М4×15 | |
Особенности таблицы:
Желтым фоном выделены детали, специфичные для конкретной модели (CM7402 или CMW-742-C)
Детали с одинаковым номером (например, 2-1, 3-1) являются компонентами основных деталей
Номера деталей OTC выделены синим цветом
При заказе деталей обязательно указывайте номер модели механизма подачи проволоки