Схема конфигурации компонентов OTC FD-V20
Сварочный робот OTC FD-V20 оснащен 6 осями управления (J1-J6), серводвигателями переменного тока, циклоидными и гармоническими редукторами для выполнения сложных сварочных операций с высокой точностью.

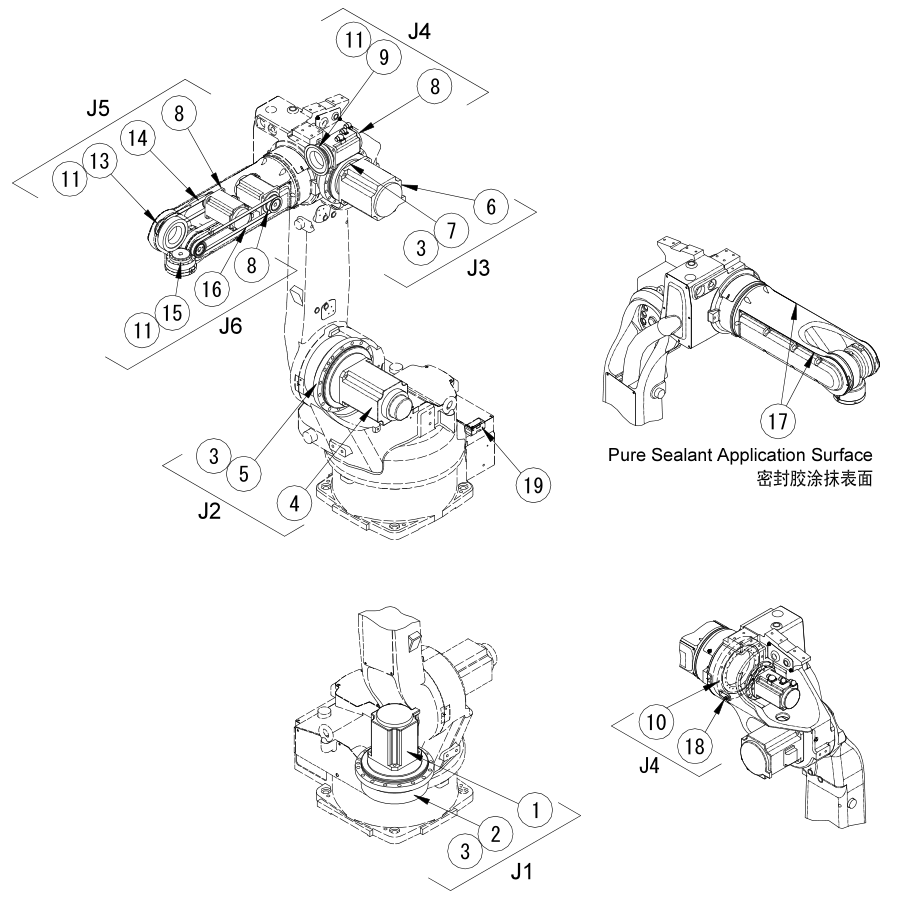
Рис. 1: Схема конфигурации всех компонентов робота OTC FD-V20 с нумерацией деталей
Компоненты по осям и номера заказов OTC
Ось J1 (Первая ось - основание)
| Символ | Название компонента | Номер модели OTC |
|---|---|---|
| ① | Серводвигатель переменного тока | W-L02641 |
| ② | Циклоидный редуктор | W-L02116 |
| ③ | Смазка | 100-0624 |
Ось J2 (Вторая ось - нижняя часть)
| Символ | Название компонента | Номер модели OTC |
|---|---|---|
| ④ | Серводвигатель переменного тока | W-L02152 |
| ⑤ | Циклоидный редуктор | W-L02117 |
| ③ | Смазка | 100-0624 |
Ось J3 (Третья ось - верхняя часть)
| Символ | Название компонента | Номер модели OTC |
|---|---|---|
| ⑥ | Серводвигатель переменного тока | W-L02641 |
| ⑦ | Циклоидный редуктор | L10725F00 |
| ③ | Смазка | 100-0624 |
Ось J4 (Четвертая ось - поворотное звено)
| Символ | Название компонента | Номер модели OTC |
|---|---|---|
| ⑧ | Серводвигатель переменного тока | W-L02151 |
| ⑨ | Гармонический редуктор | W-L02113 |
| ⑩ | Подшипник с перекрестными роликами | W-L02551 |
| ⑪ | Смазка | 2670-053 |
| ⑱ | Смазка | 100-1491 |
Ось J5 (Пятая ось - запястье)
| Символ | Название компонента | Номер модели OTC |
|---|---|---|
| ⑧ | Серводвигатель переменного тока | W-L02151 |
| ⑬ | Гармонический редуктор | W-L02114 |
| ⑭ | Ремень ГРМ | W-L02028 |
| ⑰ | Герметик | 100-1516 |
| ⑪ | Смазка | 2670-053 |
Ось J6 (Шестая ось - фланец)
| Символ | Название компонента | Номер модели OTC |
|---|---|---|
| ⑧ | Серводвигатель переменного тока | W-L02151 |
| ⑮ | Гармонический редуктор | W-L02115 |
| ⑯ | Герметик | W-L02029 |
| ⑰ | Смазка | 100-1516 |
| ⑪ | Смазка | 2670-053 |
Другие компоненты и кабельные сборки
Батарея: Символ ⑲, модель 100-2147
Кабельная сборка (1): От задней части стойки до верхнего рычага, модель L10485F00
Кабельная сборка (2): Для валов J5 и J6 внутри верхнего рычага, модель L10485G00
Узел вала J5, J6: Модель L10485B00
Краткая техническая сводка по роботу OTC FD-V20
Промышленный сварочный робот с 6 осями управления (J1-J6)
Серводвигатели: W-L02641 (оси J1 и J3), W-L02152 (ось J2), W-L02151 (оси J4, J5 и J6)
Циклоидные редукторы: W-L02116, W-L02117, L10725F00
Гармонические редукторы: W-L02113 (ось J4), W-L02114 (ось J5), W-L02115 (ось J6)
Подшипник с перекрестными роликами: W-L02551 (ось J4)
Ремни ГРМ и герметики для осей J5 и J6
Система кабельных сборок для питания и управления
Информация основана на технической документации OTC. Схемы и номера деталей могут изменяться производителем.